Description
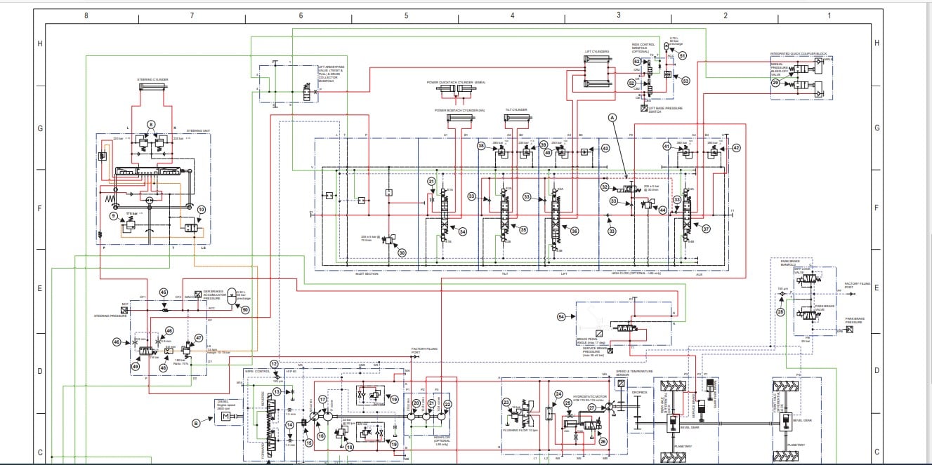
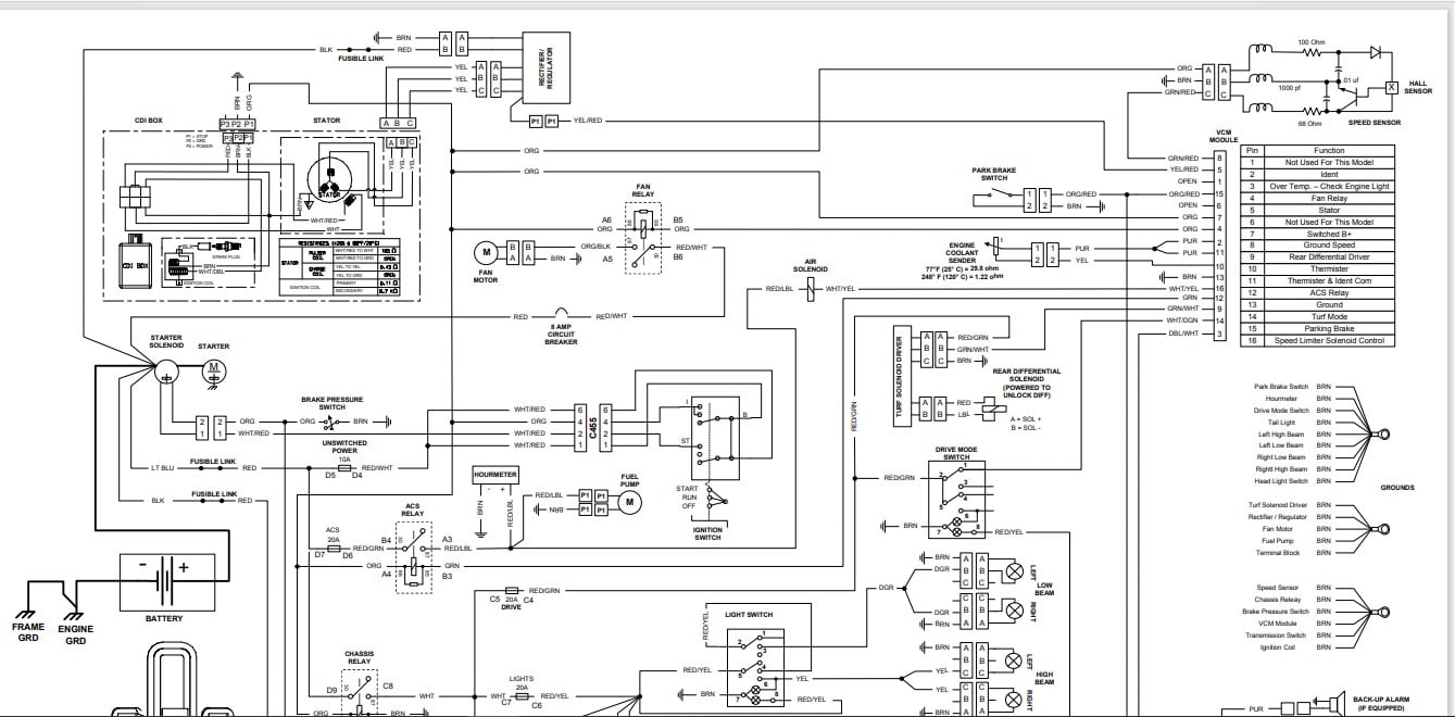
Bobcat Advanced Troubleshooting System All technical information for Bobcat excavators/loader/telescopic handlers. Wiring diagrams, error codes, service bulletins, modifications etc etc.
Features:
Date:01.2022
Size: 6.10 Gb
Region: All regions
Type: Service Manual, Troubleshooting, Maintenance Manual, Operator manual & Diagrams for Bobcat Machinery
Language: English, German, Spanish, Russian, French, Italian, Dutch
OS: Win 10, Win 8, Win 7, Win Vista, Win XP
Instructions: Present
Installation: Full
Version: v2.4.1.257
Note:Price only for one PC remote installation,my team will remote to your PC and help you to download and install it.
Support Vehicle:
– Backhoe Loader
– Toolcat Work machine
– Excavator
– Telescopic Handler
– Loader
– Articulated Loader
















Reviews
There are no reviews yet.